TM ESPAÑA
  •   RECAMBIOS
    • TM Corse
    •   Plástico original
      • Plastic parts BLACK EDITION 2022-2026
      • Piezas RED DREAM 2T MX
    • Calcomanías OEM
    • Kit de pernos
    • Kit de juntas
    • Kit de embrague
    • Juego de cojinetes
    • Kits de sellos (de aceite)
    • Kit de gama alta
    • Herramientas OEM
    •   Carburador
      • PWK 28mm (85/100cc)
      • PWM
      • PWK
    •   Suspensión
      • Marzocchi Fork
      • KYB Fork
      • Formula 39 Fork
      • Mupo 38mm Fork
      • Extreme Tech rear shock
      • TM Factory rear shock -2021 2stroke
      • TM Factory rear shock 2022-2025 2stroke
      • TM Factory rear shock 2020-2025 4stroke
    •   2025 - 2026
      •   85cc / 100cc / 112cc Junior
        • Culata 85/100cc
        • Culata 112cc
        • Cigüeñal / Pistón
        • Encendido/CDI
        • Tapa de embrague / Bomba de agua / Válvula de potencia
        • Embrague
        • Membrana / Cárter / Juntas y retenes de aceite
        • Puesta en marcha
        • Horquillas de engranaje
        • Caja de cambios
        • Pernos de tapa
        • Pernos del cárter
        • Manillar + Accesorios
        • Freno delantero
        • Horquilla delantera + abrazaderas (Formula39)
        • Rueda delantera
        • Radiadores
        • Tanque
        • Marco
        • Plásticos + Asiento
        • Caja de filtro de aire
        • Basculante
        • Enlace
        • Rueda trasera
        • Freno trasero
        • Sistema de escape
        • Pegatinas
      •   125cc / 144cc
        •   MX / Enduro 125cc 2 tiempos 2025-2026
          • Cilindro / Culata MX/EN Carburador
          • Cilindro / Culata MX/EN Fi
          • Cilindro / Válvula de potencia
          • Cigüeñal / Pistón
          • Encendido / Arranque eléctrico
          • Embrague
          • Tapa de embrague / Bomba de agua
          • Membrana / Cárter / Juntas y retenes de aceite
          • Horquillas de engranaje
          • Caja de cambios
          • Pernos de Tapa / Cárter
          • Manillar + Accesorios (MX Carb)
          • Manillar + Accesorios (MX Fi)
          • Manillar + Accesorios (Fi) ENDURO
          • Freno delantero (MX)
          • Freno delantero (END)
          • Horquilla delantera + Abrazaderas
          • Rueda Delantera
          • Radiadores (MX)
          • Radiadores (END)
          • Ventilador de radiador (END)
          • Tanque (Carburador)
          • Tanque (Fi)
          • Tanque (Fi) 12 L END
          • Marco (MX)
          • Marco (Enduro)
          • Plásticos + Asientos
          • Caja de filtro de aire (Carburador)
          • Caja de filtro de aire (Fi)
          • Caja de filtro de aire (Fi) (END)
          • Basculante
          • Enlace
          • Rueda Trasera
          • Freno Trasero (MX)
          • Freno Trasero (END)
          • Sistema del tubo escape (MX)
          • Sistema del tubo escape ENDURO
          • Arnés de cableado (Carburador)
          • Arnés de cableado (Fi)
          • Calcomanías 2025
          • Calcomanías 2026
          • Calcomanías 2026 Corse Edition
          • Luces (END)
          • Velocímetro + Bocina
          • Cuerpo de aceleración Fi
        •   MX / Enduro 144cc 2stroke 2025
          • Cilindro 144cc MX
          • Cilindro 144cc END Fi
          • Válvula de salida
      •   250cc / 300cc 2stroke
        • Cylinder 250cc / 300cc MX Fi
        • Cilindro 250cc / 300cc MX Carburador
        • Válvula de potencia
        • Cigüeñal/Pistón 250 cc/300 cc
        • Tapa del embrague / Bomba de agua
        • Embrague
        • Membrana / Cárter / Juntas y retenes de aceite
        • Horquillas de engranaje
        • Caja de cambios 5s MX
        • Caja de cambios 6s ENDURO
        • Encendido / Arranque eléctrico
        • Manillar + Accesorios (MX Fi)
        • Manillar + Accesorios (Carb)
        • Manillar + Accesorios (Enduro Fi)
        • Freno delantero (MX)
        • Freno delantero (END)
        • Horquilla delantera + abrazaderas
        • Rueda delantera
        • Radiadores
        • Ventilador del radiador
        • Tanque (Fi)
        • Tanque (Carburador)
        • Depósito (Fi) 12 litros
        • Marco (MX)
        • Cuadro (Enduro)
        • Plásticos + Asiento
        • Plásticos + Asiento
        • Caja del filtro de aire + Depósito de aceite (Fi)
        • Caja del filtro de aire (carburador)
        • Basculante
        • Enlace
        • Rueda trasera
        • Freno trasero (MX)
        • Freno trasero (END)
        • Sistema de escape
      •   250cc / 300cc 4stroke
        • Cylinder / Piston
        • Horquilla delantera + Abrazaderas
        • Árbol de levas / Válvulas
        • Cigüeñal
        • Cadena de distribución
        • Bomba de aceite / Bomba de agua
        • Cárter / Juntas y retenes de aceite
        • Embrague
        • Horquillas de cambios
        • Caja de cambios 250Fi
        • Caja de cambios 300Fi
        • Aceite / Tapón de arranque a pedal
        • Arranque eléctrico / Encendido (4 orificios)
        • Arranque eléctrico / Encendido (3 orificios)
        • Manillar + Accesorios (MX)
        • Manillar + Accesorios (END)
        • Freno delantero (MX)
        • Freno delantero (END)
        • Rueda delantera
        • Ventilador del radiador
        • Radiadores
        • Caja del filtro de aire
        • Chasis (MX)
        • Chasis (END)
        • Plásticos + Asiento
        • Depósito
        • Basculante
        • Varillaje
        • Rueda trasera
        • Freno trasero (MX)
        • Freno trasero (END)
        • Sistema de escape
        • Cableado
        • Pegatinas
        • Luces (Enduro)
        • Velocímetro + Bocina
        • Cableado (Carreras)
        • Portamatrículas (Carreras)
        • Cuerpo de mariposa 250FI MX / 300Fi MX+END
        • Cuerpo de mariposa 250FI END
      •   450cc 4stroke
        • MX Cylinder / Crankcase / Gaskets and Oil Seals MX
        • END Cylinder / Crankcase / Gaskets and Oil Seals END
        • MX Árbol de levas / Válvulas MX
        • END Árbol de levas / Válvulas END
        • MX Cadena de distribución MX
        • END Cadena de distribución END
        • Cigüeñal / Pistón
        • Bomba de aceite / Bomba de agua
        • MX Horquillas de cambio MX
        • Embrague
        • MX Caja de cambios MX
        • END Caja de cambios END
        • Arranque eléctrico / Encendido (4 orificios)
        • Arranque eléctrico / Encendido (3 orificios)
        • MX Manillar + Accesorios (MX)
        • END Manillar + Accesorios (END)
        • MX Freno delantero (MX)
        • END Freno delantero (END)
        • Horquilla delantera + Abrazaderas
        • Rueda delantera
        • Ventilador del radiador
        • Radiadores MX
        • Radiadores END
        • Caja del filtro de aire
        • Chasis (MX)
        • Chasis (END)
        • Plásticos + Asiento
        • Depósito
        • Basculante
        • Bieletas
        • Rueda trasera
        • Freno trasero (MX)
        • Freno trasero (END)
        • Sistema de escape
        • Cableado
        • Pegatinas
        • Luces (Enduro)
        • Velocímetro + Bocina
        • Cableado (Carreras)
        • Portamatrículas (Carreras)
        • Cuerpo de mariposa MX
        • END Cuerpo de mariposa END
    •   2009
      •   80cc / 85cc / 100cc Engine parts - 2009
        • CDI
        • Clutch
        • Clutchcover
        • Cylinder
        • Exhaust
        • Gearbox
        • Kickstart / Gearshaft
        • Membrane / Crankcase
        • Piston / Crankshaft / Ignition
        • Powervalve / Waterpump
        • Shiftdrum / Gearlever / Gearfork
      •   80cc / 85cc / 100cc Frame parts - 2009
        • Airfilterbox / Plastics
        • Frame
        • Front fork
        • Front hub
        • Gabelbrücke / Lenker / Plastik
        • Gasgriff / Brems & Kupplungpumpe
        • Linkage
        • Radiator
        • Rear Wheel
        • Rearbrake
        • Subframe / Seat / Exhaust
        • Swingarm
        • Tank / Spoilers
        • Vorderrad
      •   125cc Engine parts - 2009
        • CDI
        • Clutch
        • Clutchcover
        • Cylinder
        • Exhaust
        • Gearbox
        • Kickstart / Gearshaft
        • Membrane
        • Piston / Crankshaft / Ignition
        • Crankcase
        • Powervalve / Waterpump
        • Shiftdrum / Gearlever / Gearfork /
      •   144cc Engine parts - 2009
        • Carters
        • CDI
        • Cilinder
        • Kickstart / Schakelas
        • Koppeling
        • Koppelingsdeksel
        • Membraan
        • Ontsteking
        • Powervalve / Waterpomp
        • Schakelwals / Schakelpook / Schakelvorken
        • Uitlaat
        • Versnellingsbak
        • Zuiger /Krukas
      •   250cc / 300cc Engine parts - 2009
        • Carters
        • CDI
        • Cilinder / Powervalve
        • Kickstart / Schakelmechanisme / Schakelas
        • Koppeling
        • Koppelingsdeksel
        • Membraan
        • Ontsteking
        • Powervalve / Waterpomp
        • Schakelwals / Schakelpook / Schakelvorken
        • Uitlaat
        • Versnellingsbak
        • Zuiger /Krukas
      •   125cc / 300cc Frame parts - 2009
        • Airfilterbox / airfilter
        • Fork bridge KYB / Handlebar
        • Front wheel / front brake / Fork guard
        • Fork bridge Marzocchi / Handlebar
        • Frame
        • Front hub / Axle
        • Frontfender / Frontnumberplate / Headlight / Tank
        • Linkage
        • Radiators
        • Rear brake
        • Rear wheel
        • Throttle assy / Front brake / clutch
        • Speedometer
        • Sub-frame / Seat / Plastic
        • Swingarm
        • Wiring enduro
  • MANUALES
  •   Motos
    • Motocross 2T
    • Motocross 4T
    • Enduro 2 T
    • Enduro 4 T
    • Supermotard
  •   ACCESORIOS TIENDA
    • TUBOS DE ESCAPE
    • PROTECCIONES MOTO
    • MERCHANDISING TM
  •   CONCESIONARIOS
    • BARCELONA
    • CANARIAS
    • GRANADA
    • IBIZA
    • LA RIOJA
    • MADRID
    • VALENCIA
    • VALLADOLID
    • MURCIA
  • Iniciar sesión
0
  • No hay más artículos en su carrito
  • Transporte
  • Total 0,00 €
Carrito Finalizar compra

 Previous  Next
  1. Inicio
  2. Spare parts
  3. 125cc / 144cc
  4. MX / Enduro 144cc 2stroke 2025
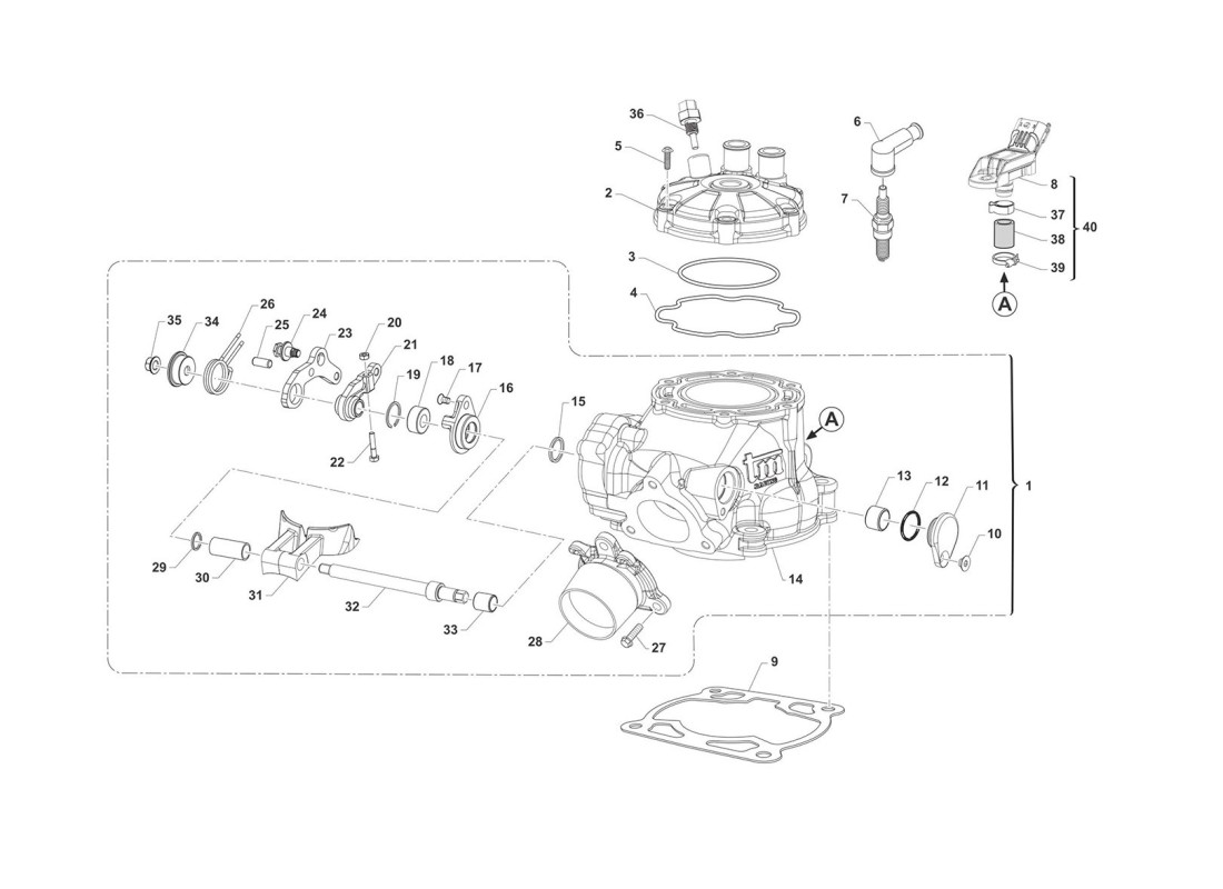
  5. Cilindro 144cc END Fi

Cilindro 144cc END Fi

No spare parts at this moment...

Newsletter

Infórmese de nuestras últimas noticias y ofertas especiales

Para cualquier duda llámanos Te conseguimos repuesto de tu moto Puedes llamarmos al 617645160 o visita nuestra tienda en Fines (Almería)

  • Facebook
  • Twitter
  • Rss
  • YouTube
  • Instagram
reorder

MOTOS

MOTOS  
  • Ofertas
  • Novedades
  • RECAMBIOS
reorder

INFO LEGAL

INFO LEGAL  
  • Envío
  • Aviso legal
  • Términos y condiciones
  • Sobre nosotros
  • Pago seguro
  • Contacte con nosotros
  • Mapa del sitio
  • Tiendas
account_box

Su cuenta

Su cuenta  
  • Información personal
  • Pedidos
  • Facturas por abono
  • Direcciones
  • Mis alertas
  • My blog comments

Información de la tienda

  • TM ESPAÑA
    Calle Panamá 5
    04869 Fines
    España

  • Llámenos: 617645160

  • Email us: xtrememotor2025@gmail.com
Información de la tienda
TM ESPAÑA logo

© 2025 - Software Ecommerce desarrollado por PrestaShop™