RECAMBIOS
TM Corse
Plástico original
Plastic parts BLACK EDITION 2022-2026
Piezas RED DREAM 2T MX
Calcomanías OEM
Kit de pernos
Kit de juntas
Kit de embrague
Juego de cojinetes
Kits de sellos (de aceite)
Kit de gama alta
Herramientas OEM
Carburador
PWK 28mm (85/100cc)
PWM
PWK
Suspensión
Marzocchi Fork
KYB Fork
Formula 39 Fork
Mupo 38mm Fork
Extreme Tech rear shock
TM Factory rear shock -2021 2stroke
TM Factory rear shock 2022-2025 2stroke
TM Factory rear shock 2020-2025 4stroke
2025 - 2026
85cc / 100cc / 112cc Junior
Culata 85/100cc
Culata 112cc
Cigüeñal / Pistón
Encendido/CDI
Tapa de embrague / Bomba de agua / Válvula de potencia
Embrague
Membrana / Cárter / Juntas y retenes de aceite
Puesta en marcha
Horquillas de engranaje
Caja de cambios
Pernos de tapa
Pernos del cárter
Manillar + Accesorios
Freno delantero
Horquilla delantera + abrazaderas (Formula39)
Rueda delantera
Radiadores
Tanque
Marco
Plásticos + Asiento
Caja de filtro de aire
Basculante
Enlace
Rueda trasera
Freno trasero
Sistema de escape
Pegatinas
125cc / 144cc
MX / Enduro 125cc 2 tiempos 2025-2026
Cilindro / Culata MX/EN Carburador
Cilindro / Culata MX/EN Fi
Cilindro / Válvula de potencia
Cigüeñal / Pistón
Encendido / Arranque eléctrico
Embrague
Tapa de embrague / Bomba de agua
Membrana / Cárter / Juntas y retenes de aceite
Horquillas de engranaje
Caja de cambios
Pernos de Tapa / Cárter
Manillar + Accesorios (MX Carb)
Manillar + Accesorios (MX Fi)
Manillar + Accesorios (Fi) ENDURO
Freno delantero (MX)
Freno delantero (END)
Horquilla delantera + Abrazaderas
Rueda Delantera
Radiadores (MX)
Radiadores (END)
Ventilador de radiador (END)
Tanque (Carburador)
Tanque (Fi)
Tanque (Fi) 12 L END
Marco (MX)
Marco (Enduro)
Plásticos + Asientos
Caja de filtro de aire (Carburador)
Caja de filtro de aire (Fi)
Caja de filtro de aire (Fi) (END)
Basculante
Enlace
Rueda Trasera
Freno Trasero (MX)
Freno Trasero (END)
Sistema del tubo escape (MX)
Sistema del tubo escape ENDURO
Arnés de cableado (Carburador)
Arnés de cableado (Fi)
Calcomanías 2025
Calcomanías 2026
Calcomanías 2026 Corse Edition
Luces (END)
Velocímetro + Bocina
Cuerpo de aceleración Fi
MX / Enduro 144cc 2stroke 2025
Cilindro 144cc MX
Cilindro 144cc END Fi
Válvula de salida
Cigüeñal / Pistón 144cc MX
Cigüeñal / Pistón 144cc END Fi
Encendido MX
Encendido END Fi
Membrana / Cárter / Juntas y Retenes de aceite MX
Membrana / Cárter / Juntas y Retenes de aceite END Fi
Horquillas de engranaje + Puesta en marcha MX
Horquillas de engranaje END Fi
Puesta en marcha END
Embrague
Tapa de embrague / Bomba de agua
Horquillas de engranaje 6s MX
Horquillas de engranaje END Fi
Pernos de tapa
Pernos del cárter
Manillar + Accesorios (MX)
Manillar + Accesorios (Enduro Fi)
Freno delantero (MX)
Freno delantero (END)
Horquilla delantera + abrazaderas
Rueda delantera
Radiadores
Ventilador de Radiador
Tanque (Carburador)
Tanque (Fi)
Tanque (Fi) 12 L
Marco (MX)
Marco (Enduro)
Plásticos + Asientos
Caja de filtro de aire (Carburador)
Caja de filtro de aire + Tanque de aceite (Fi)
Basculante
Enlace
Rueda trasera
Rueda trasera (MX)
Rueda trasera (END)
Sistema del tubo escape
Arnés de cableado (MX)
Arnés de cableado (END)
Calcomanías 2025
Calcomanías 2026
Luces (Enduro)
Velocímetro + Bocina
Arnés de cableado (Carreras)
Portamatrículas (Carreras)
Cuerpo de aceleración Enduro Fi
250cc / 300cc 2stroke
Cylinder 250cc / 300cc MX Fi
Cilindro 250cc / 300cc MX Carburador
Válvula de potencia
Cigüeñal/Pistón 250 cc/300 cc
Tapa del embrague / Bomba de agua
Embrague
Membrana / Cárter / Juntas y retenes de aceite
Horquillas de engranaje
Caja de cambios 5s MX
Caja de cambios 6s ENDURO
Encendido / Arranque eléctrico
Manillar + Accesorios (MX Fi)
Manillar + Accesorios (Carb)
Manillar + Accesorios (Enduro Fi)
Freno delantero (MX)
Freno delantero (END)
Horquilla delantera + abrazaderas
Rueda delantera
Radiadores
Ventilador del radiador
Tanque (Fi)
Tanque (Carburador)
Depósito (Fi) 12 litros
Marco (MX)
Cuadro (Enduro)
Plásticos + Asiento
Plásticos + Asiento
Caja del filtro de aire + Depósito de aceite (Fi)
Caja del filtro de aire (carburador)
Basculante
Enlace
Rueda trasera
Freno trasero (MX)
Freno trasero (END)
Sistema de escape
Arnés de cableado
Calcomanías 2025
Calcomanías 2026
Calcomanías 2026 Corse Edition
Luces (Enduro)
Velocímetro + Bocina
Arnés de cableado (Carreras)
Portamatrículas (Carreras)
Cuerpo de aceleración MX Fi
Cuerpo de aceleración Enduro Fi
250cc / 300cc 4stroke
Cylinder / Piston
Horquilla delantera + Abrazaderas
Árbol de levas / Válvulas
Cigüeñal
Cadena de distribución
Bomba de aceite / Bomba de agua
Cárter / Juntas y retenes de aceite
Embrague
Horquillas de cambios
Caja de cambios 250Fi
Caja de cambios 300Fi
Aceite / Tapón de arranque a pedal
Arranque eléctrico / Encendido (4 orificios)
Arranque eléctrico / Encendido (3 orificios)
Manillar + Accesorios (MX)
Manillar + Accesorios (END)
Freno delantero (MX)
Freno delantero (END)
Rueda delantera
Ventilador del radiador
Radiadores
Caja del filtro de aire
Chasis (MX)
Chasis (END)
Plásticos + Asiento
Depósito
Basculante
Varillaje
Rueda trasera
Freno trasero (MX)
Freno trasero (END)
Sistema de escape
Cableado
Pegatinas
Luces (Enduro)
Velocímetro + Bocina
Cableado (Carreras)
Portamatrículas (Carreras)
Cuerpo de mariposa 250FI MX / 300Fi MX+END
Cuerpo de mariposa 250FI END
450cc 4stroke
MX Cylinder / Crankcase / Gaskets and Oil Seals MX
END Cylinder / Crankcase / Gaskets and Oil Seals END
MX Árbol de levas / Válvulas MX
END Árbol de levas / Válvulas END
MX Cadena de distribución MX
END Cadena de distribución END
Cigüeñal / Pistón
Bomba de aceite / Bomba de agua
MX Horquillas de cambio MX
Embrague
MX Caja de cambios MX
END Caja de cambios END
Arranque eléctrico / Encendido (4 orificios)
Arranque eléctrico / Encendido (3 orificios)
MX Manillar + Accesorios (MX)
END Manillar + Accesorios (END)
MX Freno delantero (MX)
END Freno delantero (END)
Horquilla delantera + Abrazaderas
Rueda delantera
Ventilador del radiador
Radiadores MX
Radiadores END
Caja del filtro de aire
Chasis (MX)
Chasis (END)
Plásticos + Asiento
Depósito
Basculante
Bieletas
Rueda trasera
Freno trasero (MX)
Freno trasero (END)
Sistema de escape
Cableado
Pegatinas
Luces (Enduro)
Velocímetro + Bocina
Cableado (Carreras)
Portamatrículas (Carreras)
Cuerpo de mariposa MX
END Cuerpo de mariposa END
2009
80cc / 85cc / 100cc Engine parts - 2009
CDI
Clutch
Clutchcover
Cylinder
Exhaust
Gearbox
Kickstart / Gearshaft
Membrane / Crankcase
Piston / Crankshaft / Ignition
Powervalve / Waterpump
Shiftdrum / Gearlever / Gearfork
80cc / 85cc / 100cc Frame parts - 2009
Airfilterbox / Plastics
Frame
Front fork
Front hub
Gabelbrücke / Lenker / Plastik
Gasgriff / Brems & Kupplungpumpe
Linkage
Radiator
Rear Wheel
Rearbrake
Subframe / Seat / Exhaust
Swingarm
Tank / Spoilers
Vorderrad
125cc Engine parts - 2009
CDI
Clutch
Clutchcover
Cylinder
Exhaust
Gearbox
Kickstart / Gearshaft
Membrane
Piston / Crankshaft / Ignition
Crankcase
Powervalve / Waterpump
Shiftdrum / Gearlever / Gearfork /
144cc Engine parts - 2009
Carters
CDI
Cilinder
Kickstart / Schakelas
Koppeling
Koppelingsdeksel
Membraan
Ontsteking
Powervalve / Waterpomp
Schakelwals / Schakelpook / Schakelvorken
Uitlaat
Versnellingsbak
Zuiger /Krukas
250cc / 300cc Engine parts - 2009
Carters
CDI
Cilinder / Powervalve
Kickstart / Schakelmechanisme / Schakelas
Koppeling
Koppelingsdeksel
Membraan
Ontsteking
Powervalve / Waterpomp
Schakelwals / Schakelpook / Schakelvorken
Uitlaat
Versnellingsbak
Zuiger /Krukas
125cc / 300cc Frame parts - 2009
Airfilterbox / airfilter
Fork bridge KYB / Handlebar
Front wheel / front brake / Fork guard
Fork bridge Marzocchi / Handlebar
Frame
Front hub / Axle
Frontfender / Frontnumberplate / Headlight / Tank
Linkage
Radiators
Rear brake
Rear wheel
Throttle assy / Front brake / clutch
Speedometer
Sub-frame / Seat / Plastic
Swingarm
Wiring enduro
MANUALES
Motos
Motocross 2T
Motocross 4T
Enduro 2 T
Enduro 4 T
Supermotard
ACCESORIOS TIENDA
TUBOS DE ESCAPE
PROTECCIONES MOTO
MERCHANDISING TM
CONCESIONARIOS
BARCELONA
CANARIAS
GRANADA
IBIZA
LA RIOJA
MADRID
VALENCIA
VALLADOLID
MURCIA
Iniciar sesión
0
No hay más artículos en su carrito
Transporte
Total
0,00 €
Carrito
Finalizar compra
Previous
Next
Inicio
Modelos 2015
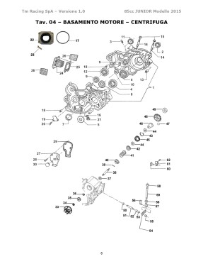
Despice MY15 - 2 Tiempos Motor 85cc
Nuevo
Despice MY15 - 2 Tiempos Motor 85cc
Cantidad
Añadir al carrito
Detalles del producto
Referencia
Referencias específicas